
本文是關于一種微型散熱風扇,特別是一種適用于電腦系統中用以冷卻電腦元件的微型散熱風扇裝置。…
Mar 23, 2020
一種新的散熱方法…
Mar 23, 2020本散熱風扇是有關一種高效率雙吸入式電腦散熱風扇…
Mar 23, 2020
本文涉及電腦周邊設備技術領域,特指一種可自動控制的電腦散熱風扇,由外界溫度變化來控制風扇的工作。 …
Mar 23, 2020
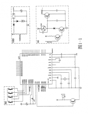
充電樁,是隨著在現如今新能源應用的大趨勢里,電動車的快速發展應運而生的一種配套設施。隨著其不斷發展,電動汽車所需的充電樁的需求也越來越多。充電速度是充電樁的一個很…
Mar 23, 2020
散熱風扇作為各領域里的關鍵部件,其品質的可靠性非常重要,這將直接影響到配套產品的使用壽命,與我們常見的機器能否正常工作也息息相關。在自動化領域,風扇也因其散熱功能…
Mar 23, 2020
UPS不間斷電源機箱 ,需求量大,訂單持續穩定,可作為重點開發的行業。該行業的知名企業等廠家均用的是三巨交流風扇,在此行業推廣,被接受度高。 …
Sep 19, 2019
本文是有關一種電腦散熱風扇固定架,特別是指一種可以特定角度固定散熱風扇而使電腦系統整體具有良好通風及散熱效果的電腦散熱?風扇固定架。…
Sep 19, 2019